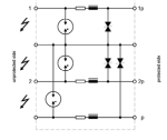
- 3 məlumat və ya siqnal xətləri, 2 naqilli avtobus şəbəkələri üçün təxminən sızma cərəyanı olmayan həddindən artıq gərginlikdən qorunma cihazı
20kA (8/20μs) ağır yük-GDT ilə qaba qoruma
Yüksək sürətli supressor-diodlar ilə gözəl qorunma
Təhlükə yüksək tez-tez harmoniklərə qarşı aşağı keçirici filtr xüsusiyyəti
Transvers və uzununa gərginlikdən qorunma
DIN-rels və ya birbaşa montaj üçün sərt və kiçik ölçülü polikarbonat korpus
Güclü və korroziyaya davamlı universal vintli terminallar
| Characteristic | Description / Value |
|---|---|
| Nominal operating voltage | UN = 24 V DC |
| Max. continuous operating voltage | Umax = 28 V DC |
| Max. continuous operating current | Imax = 500mA |
| Protection level line-ground at 1kV/µs and In | URes ≤ 36 V |
| C2 nominal impulse discharge current (10x at wave form 8/20 µs) | In = 20 kA |
| Operating temperature range | -25 … +85 °C |
| Protection degree acc. to IEC EN 60529 | IP 20 |
| Manufacturer | Leutron |


